Shashlik has long been a cross-national (or cross-regional) dish, spreading across the former USSR and beyond. Every enthusiast has their own “signature” secret for making it. Many now prefer poultry, fish, or even mushroom and vegetable versions to meat shashlik, keeping only the final step the same—grilling over the fire—which is what gives the food its distinctive taste.
So what follows is not about shashlik itself, but about the “unit” for that last stage—grilling—the mangal (barbecue grill).
The main part of a mangal is the firebox. It is an oblong box whose bottom and sides are welded together with a continuous seam.

1 — handle with hooks (stainless steel wire Ø10, 2 pcs.); 2 — brick hearth (firebrick 250×125×65 mm, as needed); 3 — firebox (steel sheet s4); 4 — leg (3/4″ pipe, 4 pcs.); 5 — wood supply; 6 — longitudinal tie (1/2″ pipe, 2 pcs.); 7 — crosspiece (1/2″ pipe, 2 pcs.); 8 — wire grid (Ø2 wire)
The length of the box depends on how many skewers you plan to place on the firebox at once, but remember that wood consumption depends greatly on its length. The firebox width is chosen to match the working length of the skewers. The wall height (or depth of the firebox) is set empirically (from experience). On my firebox the walls are 200 mm high. That was chosen because the bottom is lined with firebrick forming a hearth. The bricks lie flat on the bottom without mortar, edge to edge.
In advance: the brick hearth does not hinder lighting; when firing it absorbs heat from the burning wood, and when cooking shashlik it gives it back, keeping the embers hot. The result is more even cooking (surface and depth), faster cooking, less wood used, and the bottom and lower walls do not overheat. When going on picnics with the mangal I don’t take the bricks; I put dry sand on the bottom instead—it works, though not as well.
Five 15 mm diameter holes are drilled in each long wall, 80 mm above the bottom (on centre). Compared to a stove, these act as a draft—they help the wood burn.

Four legs made from equal lengths of old 3/4″ water pipe are welded to the bottom of the firebox at the corners. Round steel 4 mm end caps are welded to the lower ends. About one quarter of the way up, the legs are paired (along the long side) with ties made of half-inch pipe. The ties are joined by two crosspieces of the same pipe. A wire grid is stretched between them; I use it to dry a spare bundle of wood.
You may want removable legs. In that case weld threaded pipe couplings at the corners of the bottom and thread the top of each leg; then bracing the legs for stability is trickier.
Another option is a removable firebox. Weld a frame of suitable angle sections on top of the legs to match the bottom dimensions, so the firebox sits on it; keep the rest of the leg structure as in the main design.

(steel sheet s0.8)
Handles made from 10 mm diameter stainless steel rod are welded to the sides of the bottom and walls. The handles are bent so their ends form hooks for hanging mangal accessories (described below). Stainless handles add a touch of refinement to an otherwise utilitarian mangal.
Finally I cleaned all weld seams and painted the mangal (except the handle edges) with Kuzbass lacquer.
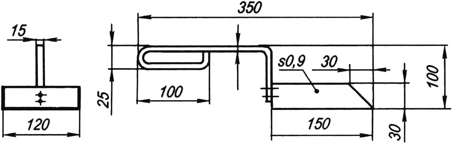
Now the accessories. Since the mangal stands outdoors in the garden, I made a lid for the firebox from 0.9 mm galvanized steel sheet. The lid is slightly longer than the mangal so rain does not get in. The long edges are bent so they spring slightly and press firmly against the front and back walls—the lid stays on even in strong wind.

(steel strip 15×4)
The mangal poker is shaped like a stove poker. It is made from 15×4 mm steel strip. Unlike a stove poker it is wide, because it is used to rake and spread the embers evenly.
The scoop is also stove-like. The difference is that the mangal scoop has a raised handle so your hands stay clean when clearing the firebox. The scoop is made from the same galvanized sheet as the lid; the handle from the same strip as the poker.

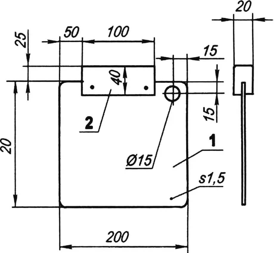
1 — blade (duralumin sheet s1.5); 2 — handle (wood)
The fan is a simple item: a 200×200 mm square of 1.5 mm duralumin with a wooden handle riveted on. A hole in one corner allows hanging it on a hook. The handle can be upright if you prefer.

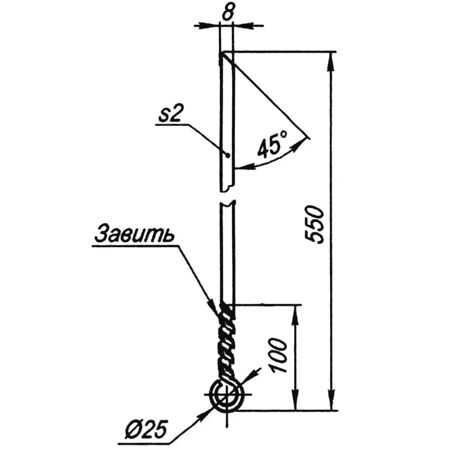
(stainless steel, 8×2 strip, quantity as needed)
The last accessory is the skewers. I made them long before the mangal, when I was still cooking shashlik on whatever was at hand. Over time they lost their shine; only the grips are still polished.
To anyone who builds a mangal like this—bon appétit!
«Modelist-Konstruktor» No. 8’2007, A. MATVEYCHUK



