If a radio amateur’s inventory is burdened by a low-power portable radio station (or a set of two stations) designed for communication in the civilian range of 26.9 — 27.2 MHz, I propose a way to make good use of them. Often, a radio amateur is simultaneously a car owner and a dacha owner, who, as an interested party, is concerned about the safety of their car or dacha house. Moreover, there are many other areas of application for the proposed security device based on two portable radio stations. The main difference from other security systems is that the “alarm” signal here is transmitted via radio channel, and the range of this security system depends on the power of the radio transmitters and the characteristics of radio wave propagation in the area where the system is used. Even if only one radio station (from a CB station set) is available, that’s also fine—as a receiver, you can use an all-band transceiver such as Kenwood FH-7E, Yaesu, or similar (more on this below). Under these circumstances, the transceiver is programmed to receive the corresponding frequency of 27.175 MHz. The automatic shutdown function in the transceiver is neutralized.
Rationale for the Idea
Today, few cars are not equipped with an audible alarm, but the benefit from it (even an expensive one) is increasingly less due to the practically identical set of sound signals emitted during an “alarm” signal. As one specialist—an alarm installer—noted: buying an alarm for your “iron horse” costing less than $3,000 makes no sense at all due to its uselessness in protecting against car thieves—minutemen (“minuteman” in English translation—a person of the minute). There is a certain truth to this statement.
When cars are massed on a lot or parking area in the city, there is no way to distinguish the signal of “your swallow” from someone else’s. Therefore, the operation of cheap industrial anti-theft devices for cars that do not have a “pager” unit—signal transmission over distances—is now ineffective. And antisocial elements (thieves working in this field) have learned over time to neutralize simple alarms even before penetrating the car. Purchasing a “sophisticated” alarm with a pager is more effective, but requires the car owner to incur significant additional expenses, and whether they will be justified or not—each decides for themselves.

According to statistics, the end of 2005 — beginning of 2006 in the Northwestern region of the Russian Federation was marked as a boom in car thefts and break-ins by thieves for the purpose of theft. Therefore, no additional protection will be excessive, especially since a self-made security device is not template-based and, when installed covertly, has less chance of being decoded and neutralized by an offender.
The proposed “guard,” consisting of two identical radio stations and a sound signal unit with a “siren” effect, implemented on the КР1436АП1 chip, reliably and originally provides car alarm at a distance and emits a sound signal when doors, hood, or trunk of the car are opened—all those accessible places that are equipped with hidden buttons that trigger during unauthorized opening. Upon hearing the warbling sound signal on the receiving unit, the car owner will rush to the car or call for help, observing the situation from the window. Any car can be equipped with such a system, even a cargo vehicle with a 24 V onboard network voltage (which today needs protection no less than others, and installing an industrial alarm on it is both expensive and, it would seem, ineffective (inexpedient)).
The use of the proposed electronic unit allows creating an effective means of monitoring the safety of a car or dacha house with minimal material investment. Such a monitoring system can also be used at large guarded parking lots and terminals, placing the receiving unit in the security room and equipping each cargo vehicle with a transmitter.
Operating Principle of the Device
As transceiver units, I use the “Ural-R” radio station on frequency 27.175 MHz. The power of the transmitting path of such a portable station is 50 mW, which stably provides a range of up to 0.5 km in urban development conditions. This distance is quite sufficient to, having placed the car near the house or in a parking lot not far from the residence, monitor its inviolability while being in your own apartment (cottage, house).
One radio station is located at home and is constantly connected in “receive” mode to a stabilized power supply with a constant voltage of 12 V. The other is in the car. The volume of the audio frequency amplifier of the receiving radio station is set as desired.
The current consumed by this radio station from the specified power supply in “receive” mode at medium volume is about 12 mA.
By the way, in transmit mode of the radio station with a standard antenna, its consumption current (of the transmitting station) increases to 160 mA. The receiving radio station is used with a standard whip antenna connected through a standard high-frequency connector СР50-74ПВ, and the transmitting one—with a passive car antenna. The latter is connected through the same connector and connected to the car antenna whip installed on the glass or roof with РК-50 cable or similar. From an anti-vandal standpoint, it is better to use a car antenna installed securely (mounted on the body or, in extreme cases, on the glass or gutter of the car) as the transmitting antenna, since an antenna mounted to the body with a magnetic mount is as easy to remove as to install. The effectiveness of this security device depends on a securely mounted antenna.
The “Ural-R” radio station does not have a squelch, so slight noises and rustles, and sometimes radio traffic on this frequency at appropriate volume will be audible. This system is not an interference to third-party radio traffic, as the power of the emitted signal is very low. Instead of “Ural-R,” portable stations with similar frequency and power characteristics can be used, the main thing is that the receiver and transmitter frequencies match. For example, such domestic production radio stations can be “Pilot” (Moscow region radio factory), “Veda-FM” (Yaroslavl radio factory), and others.
Since “Ural-R” does not have a tone call signal, the portable radio station operating as a transmitter and installed in the car had to be slightly supplemented with an electronic unit.
The switch type П2К, with which the “receive-transmit” modes are set in the radio station housing, is mechanically fixed so that the radio station in the car is constantly switched to transmit. The low-power dynamic head in this radio station serves as both a microphone and a sound emitter, depending on the position of the mode switch П2К, connecting respectively either to the preamplifier input or to the audio frequency amplifier output.
In the left part of the circuit, the connection of the system to the standard car units is shown. Connectors X and У are convenient to use as three- or five-contact low-frequency ones, which were widely used in tape recorders and radio receivers. In the right part of the circuit, the connection of the system to the radio station is shown. The common wire and supply voltage are connected respectively through contacts of connectors Х3, У3 and Х1, У1. Contact У2 is connected on the radio station board to the conductor going from the dynamic head to the mode switch П2К, while the connection circuit with the dynamic head must be broken, leaving the speaker unconnected.
This is done so that the transmitting radio station does not emit a sound signal in the car during a break-in, which could scare off the criminal or reveal the location of the transmitter.
The electronic unit, implemented on chip DA1 (КР1436АП1), consists of two audio generators and an internal power unit with a Schmitt trigger. At the generator output (pin 8 DA1), rectangular pulses with a varying frequency are present. To the ear, this sequence of pulses will be perceived as a “wah-wah” effect, reminiscent of a siren sound. The pulse frequency of the first generator is set by elements R2C3. For the second generator, the determining elements are R3C6. The coupling capacitor С4 prevents the influence of the radio station units on the generator frequency, and also does not pass the DC component of the voltage to the “Ural-R” preamplifier input. Capacitor С5 provides a more pleasant sound accompaniment, softens the sound.
When power is applied to the chip (more than 10 V on pin 1 DA1), the internal trigger controlling the supply voltage is ready, its input is pin 2 DA1. Initially, this input has a low voltage level. Even with a brief application of a high voltage level to the hysteresis trigger input (which occurs when the car door is opened and relay К1 is activated), the trigger flips to another stable state and enables both generators. They will operate (and on the receiving unit of the “home” radio station, the “alarm” signal is heard) until the power is de-energized or button SA2 is briefly pressed, setting a low voltage level on pin 2 DA1.
Thus, thanks to the feature of the КР1436АП1 chip, it was possible to get by with a minimum of parts.
When experimenting with this amazing chip, some other features of the device operation were discovered, which may be useful when replicating the device.
Features of Device Operation
So, if capacitor С3 is excluded from the circuit, at the output we will get a single-tone signal with a frequency of about 1000 Hz (only one generator with elements R3C6 works). If the base circuit is supplemented with the unit shown on the next page, we get an intermittent single-tone signal (“beep-beep”), opening at a frequency of about 2 Hz.
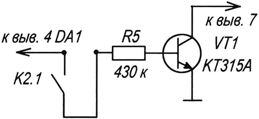
Transistor VT1 with its emitter-collector junction will shunt capacitor С6, disrupting the generation of the second generator. For greater duty cycle (the ratio of the pulse period to their duration. — Ed. note) of pulses in the latter variant, the resistance of resistor R2 should be increased to 750… 1000 kΩ or the capacitance of capacitor С3 should be increased to several μF. All fixed resistors and capacitors can be replaced with others having nominal deviations up to ±20%. Which sound is better to use in “alarm” mode, I leave to each radio amateur’s choice. The additional unit circuit shows contact К2.1 of relay. Its introduction into the circuit may be interesting if, for example, not one controlled circuit in the car is used, but two or several (adding as many relays).
If relay К1 will control the opening of car doors, relay К2 can similarly control the opening of the hood or body.

Thus, relay К2 (identical to К1), connected similarly to another standard push-button switch of the car, will connect an additional unit to the base circuit, which will lead to a different sound effect.
Being far from the car (monitored area), the owner (guard) can already determine by the tone of the sound signal what exactly was attacked (opened), and act accordingly.
Oxide capacitors С1 and С2 smooth out interference in the car’s onboard network in case, for example, during a break-in, the “starter” mode is immediately unauthorized, drawing energy from the battery.
The device does not require adjustment.
About Components
All fixed resistors are type МЛТ-0,25. Oxide capacitors are type К50-29 or similar. Non-polar capacitors are type КМ5, КМ-6. Relay К1-РЭС 15—version РС4.591.003 or similar, reliably operating at voltage 10 — 12 V.
Switch SA1 is type ПД9-1, ТВ3-С or any compact one with locking. It is needed so that the alarm device can be turned off during driving or car repair. SA2 is a button with normally open contacts—type МП3-1.
Recommendations
Before connecting the device to the radio station elements, check the operation of the audio generators by applying power to the chip and connecting a piezoelectric capsule type 3П-22 between contacts У2 and У3. If sound is heard immediately upon first switching on, it is necessary to press button SA2 once to set the device to ready mode.
The device elements are mounted on a board made of single-sided foil-clad fiberglass or a perforated mounting board measuring 20×40 mm. They are installed in the transmitting radio station housing (in the “battery” compartment free from power elements).
LED HL1 is brought out to the outside of this compartment’s cover. It signals the opening of car doors and power supply to the transmitting unit. If necessary, this element together with current-limiting resistor R1 can be omitted or HL1 can be replaced with a blinking LED, for example, L36BSRD, TLBR5410, L816BRCS-B, L769BRG, or similar—then the effect is even more colorful—the indicator’s light flux will be interrupted. Switches SA1, SA2 are installed covertly.
If a set of identical radio stations is not available, it is recommended to use an all-band transceiver such as Kenwood FH-7E or a similar portable radio receiver with a range scanning function, which can be easily programmed (tuned) to the CB range frequency.
Such a transceiver (or all-band receiver) can today be easily purchased from various firms trading industrial equipment for radio amateurs, and this device will serve you well not only within the scope of this publication, but much more broadly, allowing radio communication on other frequencies (including VHF range), and, ultimately, will lead you to becoming a licensed radio amateur. Is it bad when there will be one more good person in our community?
Features When Installing the Device in a Car with 24 V Battery Voltage
When installing the unit in a car with a 24 V onboard network voltage, it is necessary to slightly modify the circuit. A 24 — 12V adapter stabilizer should be included in the break of conductor У1. Two series-connected chips КР142ЕН8В and КР142ЕН8Б or one chip КР142ЕН12А (with an output voltage adjustment circuit) can serve as this. The current in the radio station transmit mode is low, so heat sinks for these chips are not needed.
Relay К1 should be replaced with any other electromagnetic relay that effectively operates at 24 V voltage (it is convenient to use a standard relay for cars with a 24 V onboard network). The resistance of fixed resistor R1 should be increased to 1 kΩ. Oxide capacitors С1, С2 should be used with a working voltage of not less than 50 V. The КР1436АП1 chip (foreign equivalent КА2410) is designed to operate in circuits with constant voltage up to 29V, so nothing needs to be changed in its circuit.
“Modelist-Konstruktor” No. 9’2008, A. KASHKAROV, St. Petersburg



