Versatility is the main advantage of the multi-operation woodworking machine I developed. It can handle turning work, planing, material sawing, drilling and milling, and tenoning operations. Finally, you can sharpen tools on it or turn it into a woodworking bench.
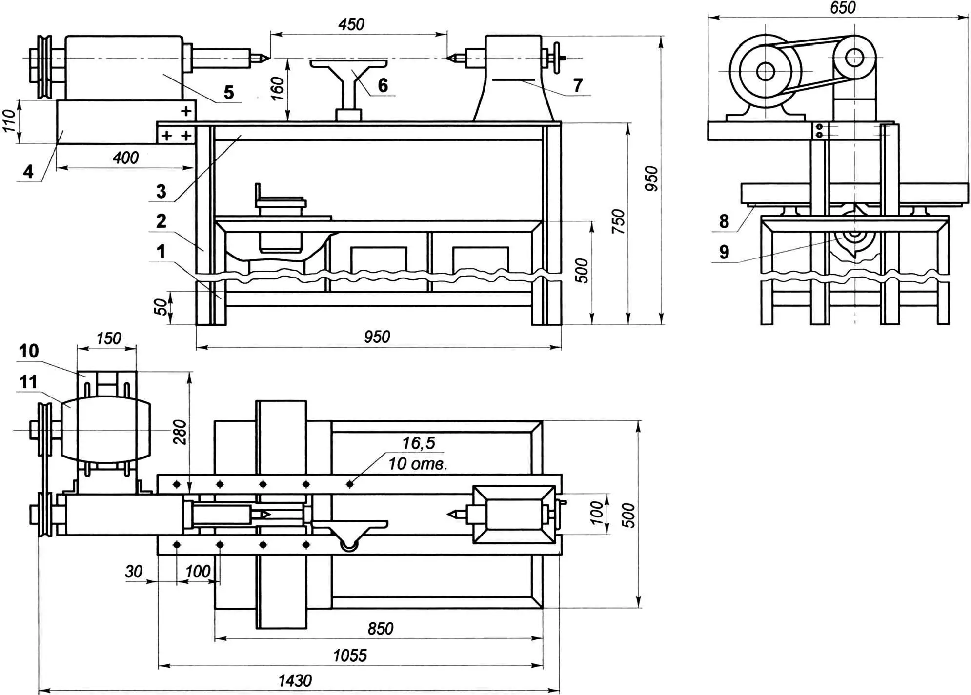
Lathe. It is the foundation of the “universal” machine and consists of a cabinet, bed, headstock and tailstock, tool rest, headstock platform, and bracket for mounting the electric motor.
The cabinet frame is made from 30×30 mm steel angle. The bed is made from the same profile, but with 50×50 mm flanges. A total of four posts and two guide rails were needed, connected to each other with M8 bolts.

1 — cabinet frame (30×30 angle); 2 — bed post (50×50 angle, 4 pcs.); 3 — bed guide rail (50×50 angle, 2 pcs.); 4 — headstock platform (100×50 channel, L400); 5 — headstock; 6 — tool rest; 7 — tailstock; 8 — jointer table; 9 — cutter head; 10 — electric motor bracket (50×50 angle); 11 — electric motor
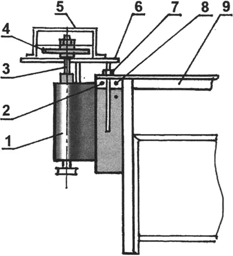
The headstock platform is a “box” welded from two 100×50 mm channel sections 400 mm long and a pair of 400×100 mm steel plates 2 mm thick, connected with M6 screws. The electric motor bracket is made from 50×50 mm angles 280 mm long, attached to the headstock platform. The box itself is bolted to the cantilever extensions of the bed guide rails with two M12 bolts: one of them serves as the pivot axis for the box with the headstock, and the second is a lock for its horizontal or vertical position.
The electric motor (1 kW power at 2850 rpm) is mounted on the bracket and connected to the spindle with a V-belt.
This is the general design scheme of the lathe. Now about the attachments that transform it, at the operator’s wish, into a whole range of other woodworking machines.
Circular saw. Made as an attachment and consists of a work table, circular saw blade, and protective guards. For operation, its table is secured to the bed guide rails using four posts—steel rods (studs) with M16 threads. The saw blade is mounted on the headstock spindle and clamped with a nut between washers and rings. Protective guards are installed above and below the blade. The lower guard, attached to the bed, has an opening and a pipe through which sawdust is removed. The table has a fence: it can be moved along the guides, thus adjusting the width of the material being cut.

1 — drive with spindle; 2 — saw blade; 3 — upper protective guard; 4 — guard post; 5 — fence; 6 — work table; 7 — posts; 8 — bed guide rails
Jointer. Its table is secured to the cabinet frame. The cutter head with replaceable knives is from an electric planer. A pulley 100 mm in diameter is attached to the head. The drum is installed in the left part of the cabinet, one of whose compartments serves as a chip collector. To rotate the cutter drum, a pulley 80 mm in diameter is fitted onto the spindle. The material being processed is pressed against the table by a roller with a spring, secured to the guides (not shown in the drawing). Material is fed manually.

1 — drive; 2 — spindle; 3 — pulley; 4 — belt; 5 — work table; 6 — cutter head
Grinding machine. To convert the lathe into a grinder, it is sufficient to mount an abrasive wheel on the headstock spindle and secure a guard and tool rest on the bed.

1 — drive with spindle; 2 — grinding wheel; 3 — guard; 4 — tool rest
Tenoning machine. For such a transformation, the lathe headstock, rotating around the pivot bolt, is moved from horizontal to vertical position and fixed with the second bolt. A circular saw blade or milling cutter is mounted on the spindle. The table from the circular saw is installed on the bed, its height being adjusted with nuts. The cutting depth is set by moving the guard and fence.

1 — drive; 2 — locking bolt; 3 — spindle; 4 — milling cutter; 5 — guard; 6 — table; 7 — adjusting nut; 8 — pivot bolt M12; 9 — bed
Woodworking bench. To make it from the lathe, a bench board (900250×40) with a row of square holes for wedges is secured to the bed with two bolts. A second board—the clamping board—is installed to the right of the first, with one square hole in it. Workpieces are clamped between the boards using a screw. The boards have steel angles underneath: on the bench board—an angle with guide bushings and a nut welded to it, and on the clamping board—with guide rods and a screw.

1 — bed guide rails; 2 — bolts; 3 — bench board; 4 — vise clamping board; 5 — clamping screw; 6 — cabinet
In the non-working position, both bench boards are secured to the rear wall of the cabinet.
All machine attachments are stored in the cabinet’s right-side compartment. The upper shelf of the compartment is intended for auxiliary tools.
Thus, this universal machine, occupying one square meter, replaces an entire complex of woodworking machines.
“Modelist-Konstruktor” No. 1’2009, G. LYUBCHENKO, Kyiv



