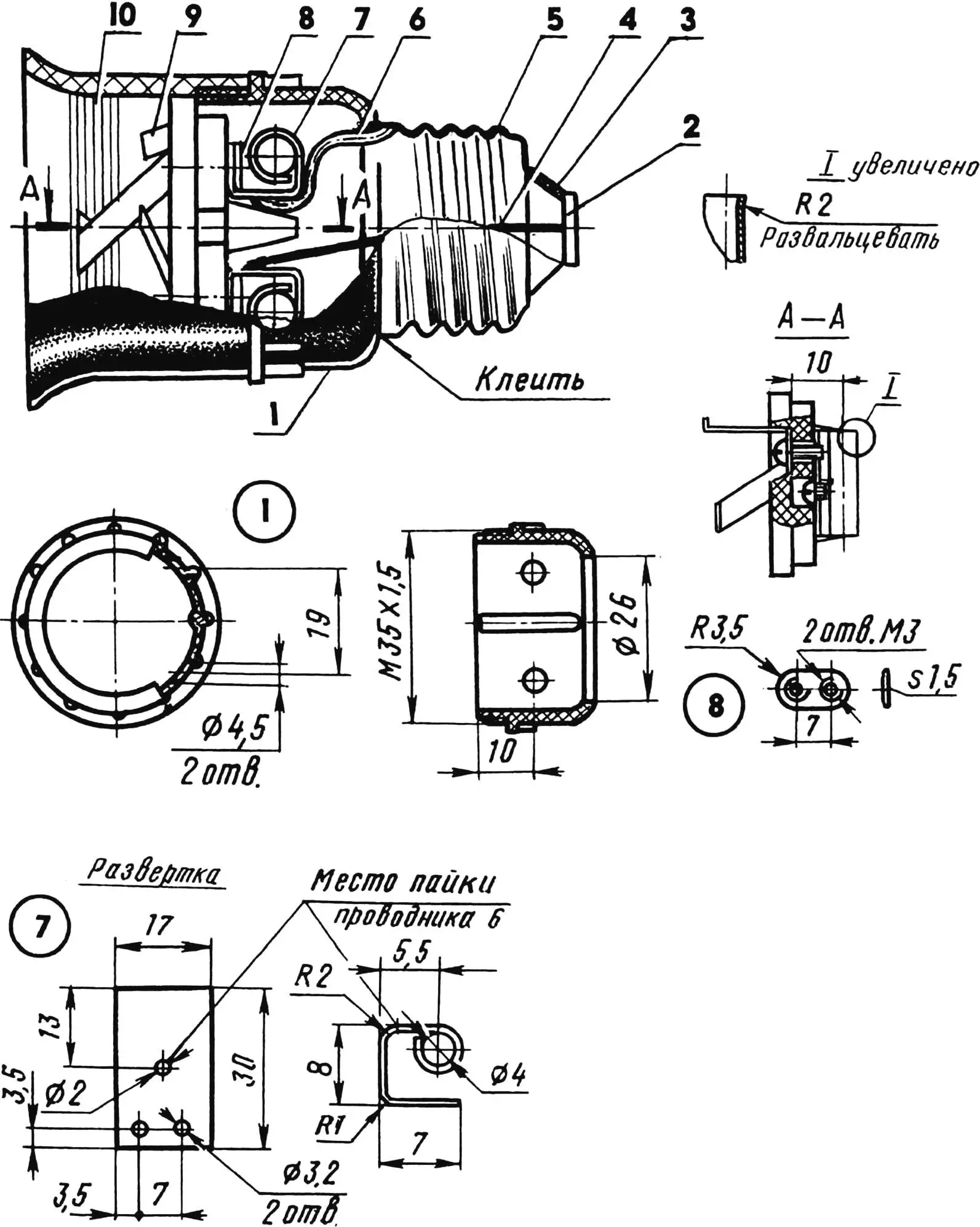
To avoid running extra wiring for auxiliary electrical appliances when using a portable lamp, it is enough to fit a homemade adapter into the lamp holder, as shown in the figure.
To make the adapter, use a lighting socket in which three holes are drilled: one in the base—for the cleaned (glass and glue removed) base of a burnt-out bulb—and two on the side—for the plug. Before gluing the base into the socket base with epoxy resin, a flexible insulated conductor 45–50 mm long is soldered to it from the inside.

1 — socket base, 2 — centre contact of base, 3 — base insulation, 4 — centre conductor, 5 — side contact of base, 6 — side conductor, 7 — contact for plug pins (brass 0.5 mm, 2 pcs.), 8 — clamping strip (brass), 9 — contact insert, 10 — skirt.
The contacts for the plug pins are made from 0.5 mm brass strip and, together with a clamping strip and two M3 screws of different lengths, are fixed to the ceramic support with lamp contacts. The head of the short screw, sitting in a special recess, firmly prevents the contacts from rotating.

1 — socket, 2 — sleeves.
When assembling the adapter (before installing the ceramic support), the conductor mentioned above is soldered to one contact, and the second contact is connected to the centre contact of the base with a conductor of the same type.

To prevent accidental contact with the exposed parts of the plug pins, protective sleeves or a housing made of heat-resistant plastic are fitted over them.
«Modelist-Konstruktor» No. 12’97, V. ZELENOV



