I read in the magazine «Modelist-Konstruktor» No. 12, 1992, A. Tatarnikov’s article «Obedient trailer». It suggested a solution to what at first glance seems a rather ordinary, but on closer look almost unsolvable problem: how to fit a motorcycle with a sidecar with a trailer that would follow it track-for-track?
The idea of building a trailer for my Izh-Jupiter had been growing on me for a long time. However, putting it into practice was held back by exactly the circumstances discussed in detail in that article. I think it is useful to recall them once more.
The difficulty lies not in building the trailer, but in coupling it to the motorcycle. The point is that the sidecar body makes it hard to place the coupling unit on its frame in the middle of the track. Moreover, with such a connection the handlebar tends to pull hard to the right when riding. To avoid these problems, the coupling has to be moved closer to the motorcycle. But then the trailer shifts to the left and its track no longer matches the motorcycle’s. This arrangement makes it difficult to drive on dirt roads, to avoid obstacles and turn left, and forces the rider to watch the trailer when passing oncoming traffic, especially on narrow roads.

1. Coupling in the centre of the trailer track — trailer and motorcycle wheel tracks do not match
2. Coupling offset — trailer skids
3. Coupling and wheel axles offset — motorcycle and trailer tracks match
The conclusions hold when the coupling is in the plane of symmetry of the trailer. If you try to match the motorcycle and single-axle trailer tracks by shifting the coupling to the left and making the drawbar asymmetric, the trailer will tend to turn right when moving, now skidding, now swaying from side to side. Such trips become not only difficult but dangerous.
To reduce (or even eliminate) this turning effect, A. Tatarnikov used an original design: he mounted the trailer wheels not on one axle but offset relative to each other (right wheel ahead of the left). He determined the offset purely by geometry: the perpendicular from the coupling point to the line joining the wheel contact points with the road must bisect that line.

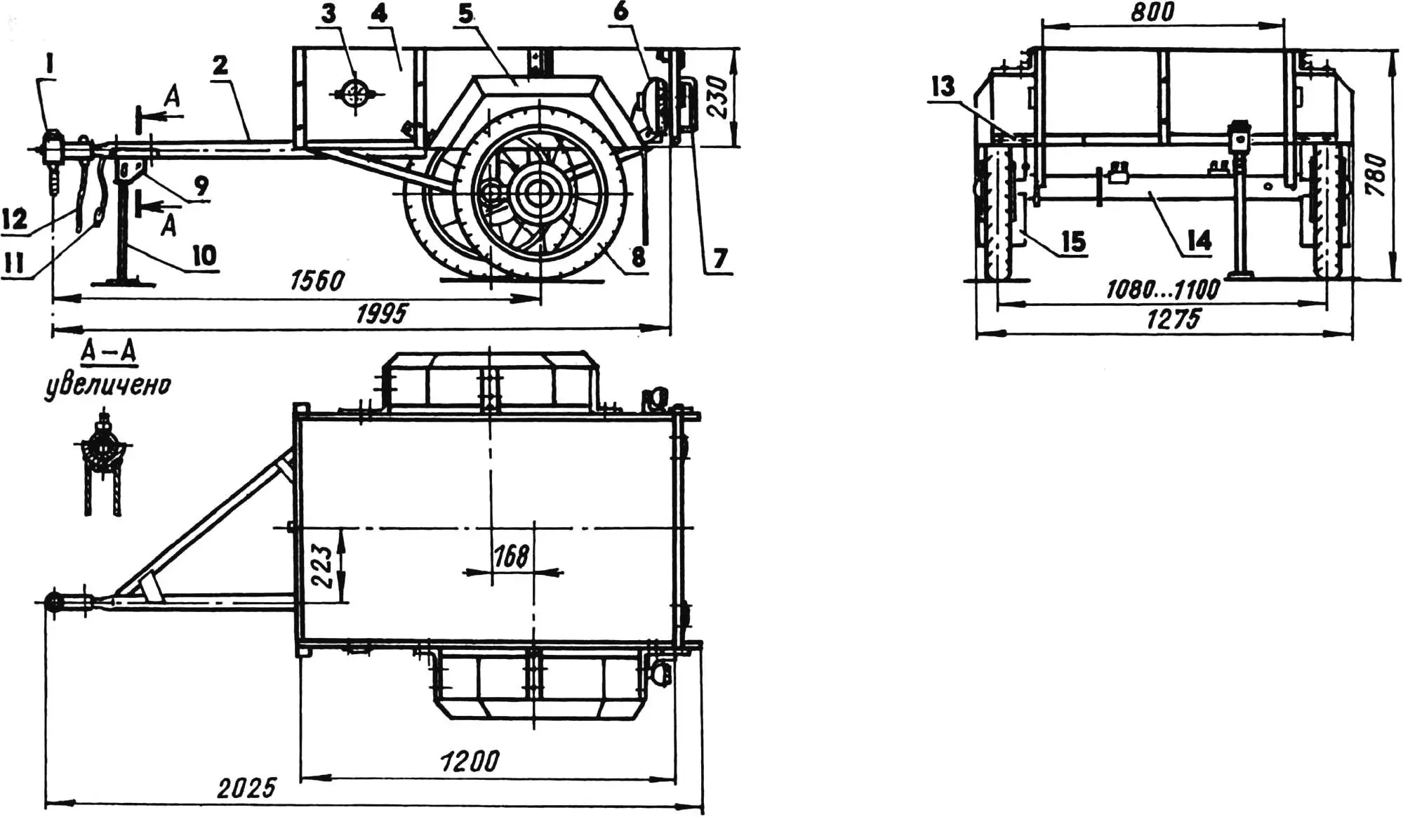
1 — ball joint of coupling; 2 — drawbar; 3 — reflector (4 pcs.); 4 — side board (plywood s16); 5 — mudguard (steel, sheet s2, 2 pcs.); 6 — lamp FP-132 (2 pcs.); 7 — rear gate handle (2 pcs.); 8 — wheel 3.5-18″ (from Izh motorcycle); 9 — stand bracket (steel, sheet s3); 10 — post (tube 20×20); 11 — connector ONTs-VN 1-7; 12 — safety chain; 13 — mudguard bracket (steel, strip 40×5, 6 pcs.); 14 — axle; 15 — splash guard (rubber s5, 2 pcs.)
I decided to use A. Tatarnikov’s idea and build a trailer for my motorcycle too. After sizing up my possibilities and going through available units, parts and materials, I worked out my own version. I aimed, first, to manage without bought parts where possible, and second, to minimise lathe work. I succeeded. With a welder, electric drill and hand tools I built the trailer at home.
The main change I made to the trailer design concerns the axle and wheel suspension.
The wheel suspension is torsion type. I made it from the frames of two old BP-65 sidecar trailers formerly used on Izh-Yu-2K motorcycles. I cut off from each frame the transverse tube with torsion bars assembled. I turned one tube 180° and welded it firmly to the other. The result was a twin-beam trailer axle with independent suspension for both wheels.

1 — drawbar (tube 42×4); 2 — gusset (sheet s3, 10 pcs.); 3 — brace (tube 40×20); 4 — cross members (tube 40×20, 4 pcs.); 5 — longitudinal member (tube 40×20, 2 pcs.); 6 — side posts (tube 20×20, 8 pcs.); 7 — brackets (steel, plate s5); 8 — axle torsion tubes (from BP-65); 9 — strut (tube 40×20, 4 pcs.); 10 — torsion shaft (from BP-65, 2 pcs.); 11 — torsion shaft arm with wheel axle (from BP-65, 2 pcs.); 12 — support post (tube 40×20, 2 pcs.)
The trailer wheels (unlike the prototype, they are from a Voskhod motorcycle) are interchangeable with the towing motorcycle wheels. Each runs on an axle in two 203-series bearings. Brake shoes are from the same motorcycle. Mudguards are home-made, welded from 2 mm steel sheet. Guard brackets are made from 40×5 mm steel strip.
The trailer body is load-bearing. Its frame is metal, welded from 20×20 mm square tube. The body skin — floor and sides — is 16 mm multilayer plywood, attached to the frame with bolts and screws.
For night-time safety I fitted two FP-132 lamps (tail, indicators and stop in one unit). They give the trailer a solid, almost factory look. The trailer electrics are connected to the motorcycle by a single-wire scheme via a cable with an ONTs-VN 1-7 connector at the end of the drawbar.

1 — link (tube 40×40); 2 — lock; 3 — grease nipple; 4 — ball joint; 5 — drawbar sleeve; 6 — locking pin
I made the towing coupling the same as on A. Tatarnikov’s trailer, with a slightly simplified lock, and fixed it between the tie bolts that adjust the track between the motorcycle and sidecar wheels.
The trailer has become an indispensable helper for garden and plot work. Its “obedience” is a real plus, and it follows the motorcycle exactly, track for track.
In conclusion, a few tips for anyone who wants to repeat my build.
To use the trailer on public roads it must be registered with the traffic police. Before that the trailer must pass an expert examination and the builder-owner must obtain a document certifying that the design is safe. This examination can be carried out by territorial organisations of the national motorists’ association or other accredited bodies. Besides that report, the traffic police will need documents for numbered components proving ownership.
When using the trailer, the owner should check its condition before every trip. When on the road, extra care and attention are needed, as the combination is less manoeuvrable than a solo motorcycle with sidecar. Stopping distance is much longer and sharp braking should be avoided. Needless to say, carrying passengers in the trailer is strictly prohibited.
Main trailer specifications
Mass, kg … 97
Max payload, kg … 85
Platform dimensions, mm:
length … 1200
width … 800
Wheel track, mm … 1100
Overall dimensions, mm:
length … 2025
width … 1275
height … 780
Tyre size, in … 3.5-18
Tyre pressure, MPa … 0.15
System voltage, V … 12
«Modelist-Konstruktor» No. 6’2002, Yu. Kholmogorov



