Perhaps this mechanism is the lightest in its family of counterparts: even a schoolchild can lift and carry it if need be. Low weight and utmost simplicity of construction—these are the qualities of the bicycle plow that drew the attention of visitors to the exhibition of young technicians’ work, participants in the All-Union rally of school forestry units and friends of nature conservation, held in the summer of 1986 in Leningrad.
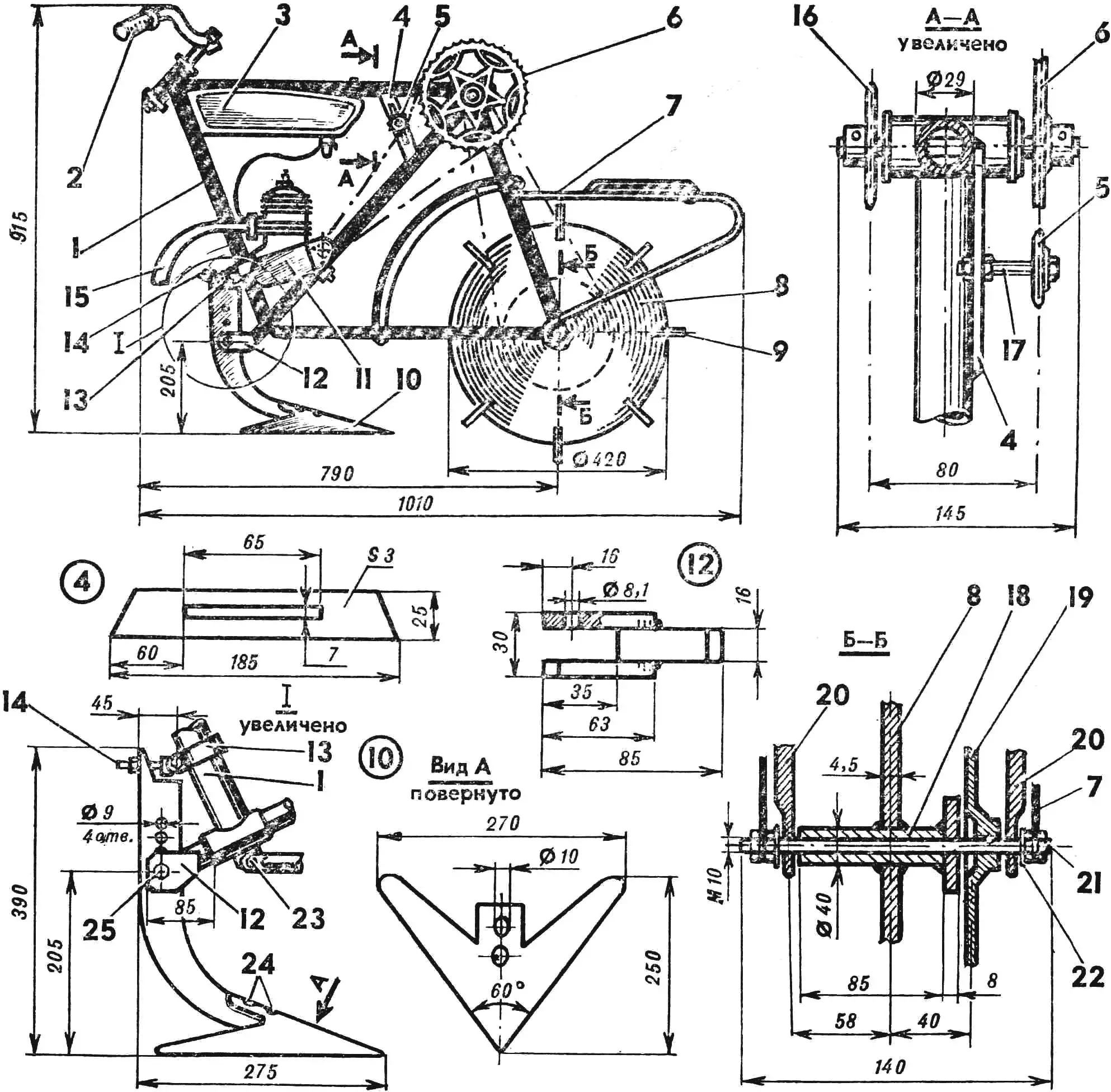
The bicycle plow was built by seventh-graders Dima Bespalov and Sasha Odnodvortsev under the guidance of teacher A. M. Pavlov in the agricultural machinery club of the secondary school at Gorenka station, Novgorod Oblast. The main element of its design is the frame of an old road bicycle, turned upside down with the bottom bracket up. Instead of a saddle, a fork for mounting the working implement is welded to it, and near the pedal unit—a bracket for the tension sprocket. A D-5 engine is mounted on the lower part of the frame with clamps. The transmission is a two-stage chain drive with an intermediate shaft. The latter assembly is made entirely from bicycle parts.

1 — bicycle frame, 2 — bicycle handlebar, 3 — fuel tank, 4 — strut bracket for tension sprocket, 5 — tension sprocket Z=9, 6 — sprocket Z=46, 7 — carrier for additional load, 8 — drive wheel, 9 — ground cleat, 10 — working implement (cultivator), 11 — D-5 engine, 12 — fork, 13 — clamp, 14, 23, 25 — M8 bolts, 15 — exhaust pipe, 16 — sprocket Z=12, 17 — M6 bolt, 18 — wheel hub, 19 — sprocket Z=48, 20 — bicycle fork, 21 — wheel axle stud, 22 — washer, 24 — rivets.
The drive wheel is cut from 4.5 mm sheet steel and fitted with eight ground cleats. The wheel is mounted on an axle without rolling bearings.
The main working implement of the mechanism is a cultivator, although a plow, flat cutter, and other attachments can be used.
The competition jury held as part of the rally noted that the bicycle plow should be improved somewhat: change the direction of exhaust gases, add forced cooling, and be sure to fit protective guards on the chain drives. We hope that these recommendations will be taken into account by our readers who are interested in this design.
«M-K» 2’87, S. BALAKIN



