Furniture for sitting is usually bought in matching pairs. For example, two folding armchair-beds. Over time they become morally outdated, an anachronism. Throwing them away seems a waste, but converting them…
Such armchairs, made by the same factory, have matching overall and mounting dimensions. Because of this, after removing the side panels (legs) on each unit, the armchairs can be joined into a fold-out sofa, and even its folding-unfolding scheme remains unchanged.
The conversion sequence is as follows. Remove the backrest, cushions and side panels, leaving the outer ones intact. The armchair bases can then be joined together using the mounting holes of the removed side panels and their bolts. In this assembled structure the cross bars will be made of two halves. So where the supports (legs or hinges) were removed, the bars need to be reinforced for strength and rigidity of the frames.

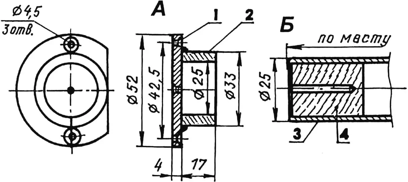
1 — bracket disc; 2 — bracket bushing; 3 — support (steel tube); 4 — wooden plug
Converting the armchairs into a sofa required the following small modifications. The two rear crossbars that were attached to the side panels and acted as the backrest stop when assembled are replaced with a tube and brackets. The tube length was determined by the distance between the side panels. Next, the folding mechanisms are removed; they end up in the middle of the future cushion bases. The left and right parts of the base from the first cushions are placed in their hinge positions. Align the gap between them with clamps; using stands, join them by gluing three wooden crosspieces with epoxy. The resulting gap between the plywood sheets is filled with a plywood strip (one of the two unused former side panels is used for the material). Additionally, for extra strength and rigidity, the former cross bars are joined with 60×30×2 mm steel angles 350 mm long, fastened flush on the plywood side with 3 mm screws.

1 — side panels; 2 — cushions (3 pcs.); 3 — bases; 4 — legs (hinges, retracted when folded); 5 — leg crosspiece; 6 — strap handles; 7 — backrest support bracket (2 pcs.); 8 — backrest support (tube); 9 — stand; 10 — removable backrest cushion
The sequence for joining the second cushion bases is similar to the first, except the angles run along the full width from below. The same is done with the third cushion bases. Before that, door hinges are fitted as hinges to the angles between the second and third combined bases, set in from the longitudinal bars (left and right — to prevent separation). The third base is sized to match the second.

With the bases ready, we move on to the cushions. Before upholstering, all hinge joints are removed. Glue 50 mm foam to the cushion bases, add a thin layer of batting and put on the covers; turn over, slightly tension the edge and glue (adhesive 88). Once the cushions are done, refit all hinges and legs and assemble the sofa finally.

The halves of the removable backrest are fastened with 1.2 mm thick steel plates and screws; wooden crosspieces are also glued inside.
Without upholstering the backrest, try it in place. If needed, level the top to the first cushion.

In the end — the result is worth the effort. With the new shape and fresh upholstery the combined sofa looks new and gains different qualities.
«Modelist-Konstruktor» No. 9’2003, A. ROGOV



