Sitting down at the table to work, you take from the shelf a thick book and open it. But what is it? She turns into… a small lamp! It turns out that the book cover hides a cartridge with a bulb, cord with switch and soft shade-accordion. Quite a bit to push the doors cover – the original and the miniature lamp is steadily on the foot, giving a smooth local light to the workplace. Hungarian journal “Earmaster” advises to acquire such a lamp it is compact and easy to use: did some work and removed a book series.
Himself an electrician
LONGEVITY WILL BE THE LAMP
Or night duty (with reduced brightness) lighting, allowing at the same time significantly increase the lamp life, can be implemented in different ways. Among the simple and reliable method using a quenching capacitor in power supply circuit (Fig. 1). The capacitance C1 is calculated as reactance to obtain the desired lamp voltage ЕL1. Resistor R1 is necessary for capacitor discharge after disconnecting the circuitry from the network. Its value is in the range of 100-500 ohms.
LIKE THE PHONE
When connecting such a power source as an ordinary galvanic battery for flashlight, not so easy to achieve a reliable attachment of wires to flat pin made of thin sheet metal. Moreover, this procedure will have to be repeated when replacing a spent power cell. To simplify the operation and improve the contact will be Read more…
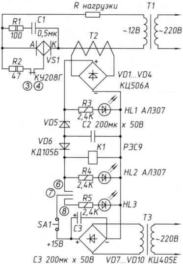
THE LAMP WILL SERVE LONGER
It is no secret that the halogen lamps used in cars, often fail. This is the result of inrush current, which inevitably occurs every time when enabled, when the spiral filament is still in the cold (cold) state.
THE MOTOR IN THE ROLE OF TESTER
Among the devices that are used to check (continuity) of electrical circuits, not take samples. They are simple in design and application. The probe is an indicator, in series with which is connected, as a rule, galvanic cell (battery), current-limiting resistance and two testers. Touching the probes on different portions of the circuit, checks the condition of all its parts and proper connections.
A SIMPLE “UNIVERSAL”
“Almost five years are a reader and subscriber of the journal “modelist-Konstruktor”. During this time, produced in any published developments in several homemade “for home, for family.” Would like to start welding-charging-starting device, a circuit diagram and description of which I had noticed in one of the rooms of the journal for this year, but deterred by the winding operation in the manufacture of powerful transformer, choke. And the installation of electronic control unit thyristors, I’m afraid not master. Whether it is at least a little to simplify the development of that interest me?”
DISMANTLING THE SYRINGE!
Medical disposable syringes used for injections, thanks to the efforts of enthusiasts of technical creativity began to find further applications. For example, in Amateur practice, in particular during the dismantling of electronic components with printed circuit boards (especially in remote places where there is so often no “third hand”). However, the basic syringe has to be changed accordingly (modified).
THE LIGHT IN THE KITCHEN
Use in the kitchen local lighting. As a rule our kitchens are covered the only light source is the ceiling or a chandelier hanging somewhere near the ceiling, in the middle.
Most often, this lamp General purpose lights no matter Desk — when the hostess is preparing lunch, she closes herself from the world of the working area on the plate.
Inconvenient such a lamp and in that case, when the family gathers at the dinner table (usually standing at the window or wall) — it illuminates not the table, and the center of the kitchen. In the end, for normal illumination of the working and dining tables in the chandelier have to screwing the lamp of high power, thus causing high power consumption.
THE FUSE IN THE AC CIRCUIT
Circuit of electronic fuse alternating current, represented in the figure, protects the circuit in which the output is regulated by the triac (or just the triac operates in the mode “connect – disconnect”) by removal of the control signals when current exceeding the specified value (emergency operation).
TO CONTROL THE MOVEMENT OF THE HAND
Before proceeding to describe the proposed design should make an important note. Developed contactless control can be applied not only in computer technology. Described constructive design and purpose of the device is just one example of its possible applications.
Among fans of aviation history well-deserved popularity of the computer game “Il-2. Forgotten battles” with many additions. No history textbook do not explain the calm courage of the pilot of attack aircraft, precisely as in a laboratory experiment, leading on the combat course is tormented by flak machine. Or the frenzied excitement of the pilot “the Ride”, seeing as growing in his sight silhouette “Boyana”.










